YS ( AO2)、YS-A( YO)系列三相异步电动机使用在各种小型机床设备、医疗器械、家用电器以及电子仪器、仪表等方面作驱动用。具有起动和运行性能,结构简单、维修方便等特点。
YC (CO2 )系列单相电容起动异步电动机使用在各种小型机床设备、医疗器械、家用电器以及电子仪器、仪表等方面作驱动用。适用于带起动转矩要求较大的机械或起动电流有限制的场所。
YY (DO2 )系列单相电容运转异步电动机使用于电风扇、电子仪器、仪表、医疗器械等方面作驱动用,适用于起动转矩要求较低场所。
YL系列电动机是节能产品,具有体积小、容量大、起动及运转的特点,应用于冷冻机、泵、风机、小型机床以及农副业和家用电器械等方面。
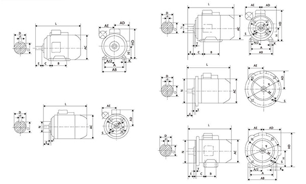
安装方式
B3 - 机座有底脚,端盖无凸缘;
B14 - 机座无底脚,端盖上有小凸缘,轴伸在凸缘端;
B34 - 机座有底脚,端盖上有小凸缘,轴伸在凸缘端;
型号说明

外形及安装尺寸


技术参数
