一、概述
YE2系列三相异步电动机是在Y2系列电机基础上优化设计的电机。本系列电动机外壳防护等级为IP55,绝缘等级为F级。
YE2系列电动机是封闭自冷式笼型三相异步电动机,节能、堵转转矩高,噪声低、振动小,安装尺寸及功率。适用于不含易燃或腐蚀性气体的-般场所和无特殊性能要求的各种机械设备。
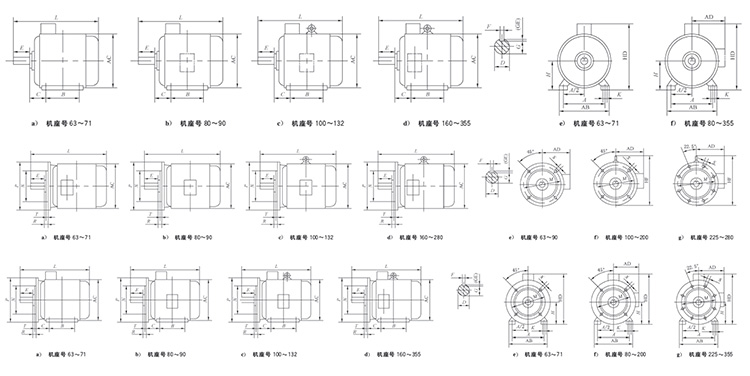
安装方式为:
B3 --机座有底脚,端盖上无凸缘;
B5 --机座无底脚,端盖上有大凸缘,轴伸在凸缘端;
B35--机座有底脚,端盖上有大凸缘,轴伸在凸缘端;
B14 --机座无底脚, 端盖.上有小凸缘,轴伸在凸缘端;
B34 --机座有底脚, 端盖上有小凸缘,轴伸在凸缘端;
二、型号说明

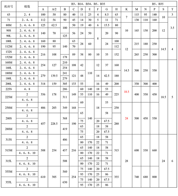
外形及安装尺寸






